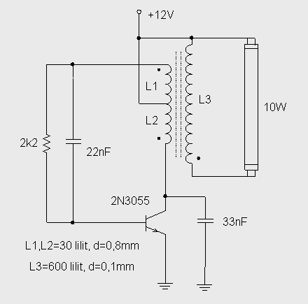
Bagi rekan-rekan yang daerahnya sering mengalami pemadaman listrik gak ada salahnya kalo coba bikin rangkaian ini. Berawal dari keisenganku utak utik elektronik dan di dukung seringnya pemadaman listrik di daerah yang sekarang aku tempati, aku mencoba cari - cari skemanya di Mbah Google. Nich gambar skema rangkaian dan alat yang dibutuhkan : Rangkaian ini sangat sederhana sekali dan bahan bahan yang di butuhkan pun juga tersedia di berbagai Toko Elektronika. Saya pun telah berhasil membuatnya walau nyalanya kurang terang, di sebabkan kawat untuk lilitan yang saya pake bekas trafo, dengan ukuran yang tidak sama.
Jika rekan rekan malas membuatnya bisa cari rangkaian TL DC 12V harganya 40 - 50 ribu.


wktu sya coba nkin lampu neon suram,trus tr da traafonya hot bgt,knpa yah?
BalasHapusIya Mas, soale rangkaiannya sangat simple. masalah panas di tr biasanya pendingin kurang besar, trus cara kerjanya seperti flip flop, sambung putus arus, yg membuat trafo juga tr jadi panas, klu mo simpel tinggal pake cara kedua, beli rangkaian TL yg sudah jadi, he he ...atau bikin saja inventer.
BalasHapus